| Sign In | Join Free | My wneducation.com |
|
Brand Name : kingpo
Model Number : IEC60601-2-52-Figure cc.1
Certification : iso9001 ce
Place of Origin : china
MOQ : 1
Price : To be quoted
Payment Terms : T/T
Packaging Details : safety carton pack or plywood box
Brand : KingPo
Material : Aluminium
standard : IEC60601-2-52-Figure cc.1
Weight : 3.34 kg
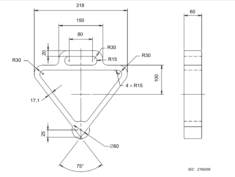
Wedge tool | IEC60601-2-52-Figure CC.1 Wedge tool

Material: Aluminium
Weight: 3,34 kg
Figure CC.1 – Wedge tool
Cylinder tool | IEC60601-2-52-Figure 201 .103 b Cylinder tool

Key
1 Total weight 3,34 kg ±0,05 kg
2 Marked centre line
3 Surface roughness 1 ,6
4 Drilling hole for weight adjustment
Figure 201 .1 03 b) – Cylinder tool schematic
Cone tool | IEC60601-2-52-Figure 201 .103 a cone tool

Key
1 Total weight 5,1 kg ±0,05 kg
2 Marked centre line
3 Surface roughness 1 ,6
4 Drilling hole for weight adjustment
Figure 201 .1 03 a) – Cone tool schematic
Loading pad | IEC60601-2-52-Figure 201 .1 04 Loading pad

201 .5.1 02 Loading pad
The loading pad (see Figure 201 .1 04) is a rigid circular object, (355+/–5) mm in diameter, the face of which has a convex spherical curvature of 800 mm radius with a 20 mm front edge radius.
|
|
IEC60601-2-52, Wedge tool | Cylinder tool | Cone tool | Loading pad Images |